Sơ đồ nguyên lý tủ ATS cho máy phát điện giúp nguồn điện luôn duy trì ổn định nếu tình trạng mất điện lưới đột ngột hoặc quá chuyển vận. Thế nhưng việc lắp đặt tủ ATS như thế nào cho đúng lại là bài toán không phải thuần tuý. Vậy hãy cộng tham khảo 3 lược đồ đấu ATS có máy phát điện được chuyên viên kĩ thuật của TTTT chia sẻ trong bài viết dưới đây!

Tủ điện ATS là gì
ATS ( Automactic Transfer Switch) dùng để chuyển vận tải nguồn điện tự động từ nguồn điện lưới sang nguồn phòng ngừa. Đảm bảo cho đông đảo hệ thống điện được hoạt động liên tiếp, ổn định; ngay cả lúc có sự cố mất điện xảy ra.
những khu chung cư; trọng tâm thương mại; bệnh viện; trường học; khu công nghiệp vật dụng máy phát điện công nghiệp,… Đều được lắp đặt tủ ATS này nhằm đảm bảo luôn sở hữu đủ nguồn điện phục vụ cho sản xuất; buôn bán và sinh hoạt.
Cấu tạo của tủ điện ATS
Vỏ tủ điện ATS: Được khiến cho trong khoảng thép mạ kẽm; bên ngoài được thiết bị 1 lớp sơn tĩnh điện. Vỏ tủ điện có kích thước khác nhau; tùy thuộc vào nhu cầu dùng, công suất.
thiết bị chuyển mạch tự động: Được kiểu dáng mang các chế độ chuyển mạch tự động hoặc bằng tay.
Bộ điều khiển tủ điện ATS: mang chức năng điều khiển trang bị chuyển mạch theo thời gian.
Hệ thanh loại đồng cung ứng điện tủ điện ATS: Tùy theo dòng điện định mức của hệ thống mà được tính toán thích hợp.
những nút ấn; màn hình LCD; hệ thống đèn chỉ thị: Giúp người vận hành có thể linh hoạt được chế độ hoạt động.
ngoài ra, tủ điện ATS còn được tích hợp thêm chức năng giám sát và điều khiển từ xa.
Xem thêm: Rơ le bảo vệ
Nguyên lý hoạt động của tủ ATS
Tủ điện ATS luôn bao gồm hệ thống chuyển đổi nguồn điện và máy phát điện công nghiệp. Từ đó trong bất kỳ trường hợp nào thì tủ điện cũng luôn sẵn sàng tự động chuyển mạch, sản xuất điện cho phụ chuyển vận từ máy phát điện.
lúc điện lưới với trở lại; tủ điện ATS mang nhiệm vụ kết nối phụ tải sở hữu nguồn điện chính và ngắt máy phát điện phòng ngừa.
có hệ thống tủ điện ATS cao cấp sẽ sở hữu thêm chức năng hòa đồng bộ phối hợp có rộng rãi máy phát điện cùng lúc để đảm bảo nguồn điện ko bị ngắt quãng.
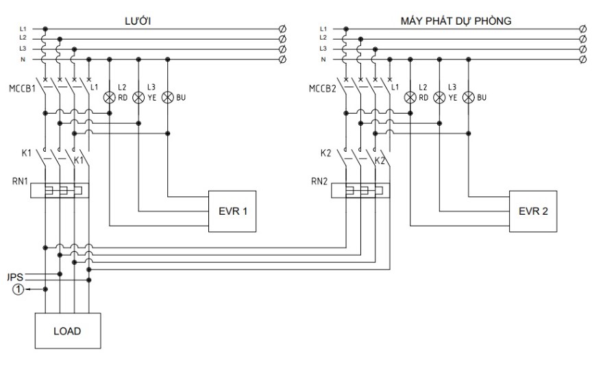
Các dạng lược đồ đấu tủ ATS với máy phát điện
Về nguyên lý; ví như tủ ATS – máy phát điện với bảng điều khiển là bộ điện tử thì có 3 kiểu sơ đồ đấu ATS với máy phát điện nhiều nhất trên gần như các dòng máy phát điện như sau :
Kiểu 1: Kết nối tín hiệu điều khiển tủ ATS mang máy phát điện qua cổng điều khiển trong khoảng bên ngoài (remostart).
Kiểu 2: Kết nối tủ ATS sở hữu máy phát điện qua cổng truyền thông hiện đại.
Kiểu 3: Kết nối trực tiếp điện lưới vào các bảng điều khiển của máy phát điện.
Hướng dẫn chi tiết lược đồ tủ ATS với máy phát điện
Kiểu 1: Kết nối tín hiệu điều khiển tủ ATS với máy phát điện qua cổng điều khiển trong khoảng bên ngoài. Gần như những bảng điều mang các chức năng này, nếu bạn tiêu dùng chức năng điều khiển trong khoảng xa cho máy phát điện thì bạn sẽ cần cài đặt lại kiểu kết nối này cho chức năng chậm triển khai.
Kiểu 2: Kết nối tủ ATS sở hữu máy phát điện qua cổng truyền thông tiên tiến. Khi sử dụng kiểu kết nối này bạn cần có khả năng về lập trình và chỉ nên kết nối nhà máy của bạn với mạng điều khiển trong nội bộ. Hiện ko mang hoặc rất ít tổ chức tiêu dùng hình thức này để kết nối.
Kiểu 3: Kết nối trực tiếp điện lưới vào những bảng điều khiển của máy phát điện. Chỉ được hỗ trợ lúc bảng điều khiển của máy phát điện có hỗ trợ chức năng ATS control; cùng lúc lúc kết nối tủ ATS – máy phát điện theo kiểu này thì bạn không cần bất kì bộ lập trình nào. Nguồn nuôi hay những phần tử điều khiển nào trong tủ ATS mà bạn chỉ cần độc nhất vô nhị 2 MCCB cùng 1 khóa chéo về điện cộng mang cơ khí 2 huyện hút của MCCB nó sẽ được cấp nguồn nuôi trong khoảng bảng điều khiển xuống.
Đối mang các tủ điện ATS đặt xa máy phát điện hoặc những trang bị MCCB quá lớn. Thì không nên cho cái điện MCCB đi qua các tiếp điểm của bảng điều khiển. Nên cho chúng đi qua 1 Rơ le trung gian để đảm bảo ổn định và an toàn hơn.

Bình luận về bài viết này